• <td id="yc0ca"><rt id="yc0ca"></rt></td>
  • <noscript id="yc0ca"><kbd id="yc0ca"></kbd></noscript>
  • <table id="yc0ca"><source id="yc0ca"></source></table>
  • <table id="yc0ca"><option id="yc0ca"></option></table>
  • 海上風向標

    海上風向標 FA20

    海上風向標
    海上風向標

    功能特性

    采用非接觸式磁傳感測量原理,進口非接觸式磁傳感芯片,測量精度
    高,抗干擾能力強。

    深度優化的多個直通型迷宮、多個錯列式迷宮,具有 IP66 的防護性能。

    采用全金屬外殼,主體材質為鋁合金硬質陽極氧化處理,其余不銹鋼件
    均為 316 材質,耐腐蝕性能優異,滿足各種工業惡劣環境下使用。

    特殊材質耐腐蝕軸承,適用在嚴苛的海上 C5-M 腐蝕環境。

    采用容錯設計,在接錯線的情況下傳感器不會損壞。

    多級防雷抗浪涌設計。

    產品描述與應用

    功能特性

    電氣

    工作電壓

    12VDC~30VDC

    工作電流

    50mA Max

    電磁兼容

    IEC61000-4-2 靜電放電 ESD
    接觸放電:±8kV 空氣放電:±15kV
    IEC61000-4-5 浪涌 SURGE
    線對線:±6kV 線對地:±4kV

    測量原理

    非接觸磁編碼掃描

    出線方式 3

    航空插座

    線纜配置 4

    帶航空插頭的 6 芯屏蔽線
    4*0.5mm²+2*1mm²

    機械

    顏色

    硬質陽極氧化本色

    主體材質

    6061/硬質陽極氧化

    風向標材質

    5052/硬質陽極氧化+不銹鋼 316

    軸承材質

    特殊材質耐腐蝕軸承

    參考重量

    0.35kg

    安裝方式

    φ27-φ30mm 穿板安裝
    (G3/4 外螺紋)

    工作溫度

    -40?C ~ +70?C

    工作濕度

    IEC60068-2-3 0~100% RH

    抗振等級

    5-10Hz,d=3
    10-500Hz,A=2gmm

    外殼防護等級

    IEC60529 IP66

    鹽霧等級

    ISO9227 NSS≥1440h

    氣象

    啟動風速

    ≤0.5m/s Vu=20 ?C

    抗風強度

    >75m/s

    測量范圍

    0°~360°

    測量精度

    ±2°

    分辨率

    0.35°

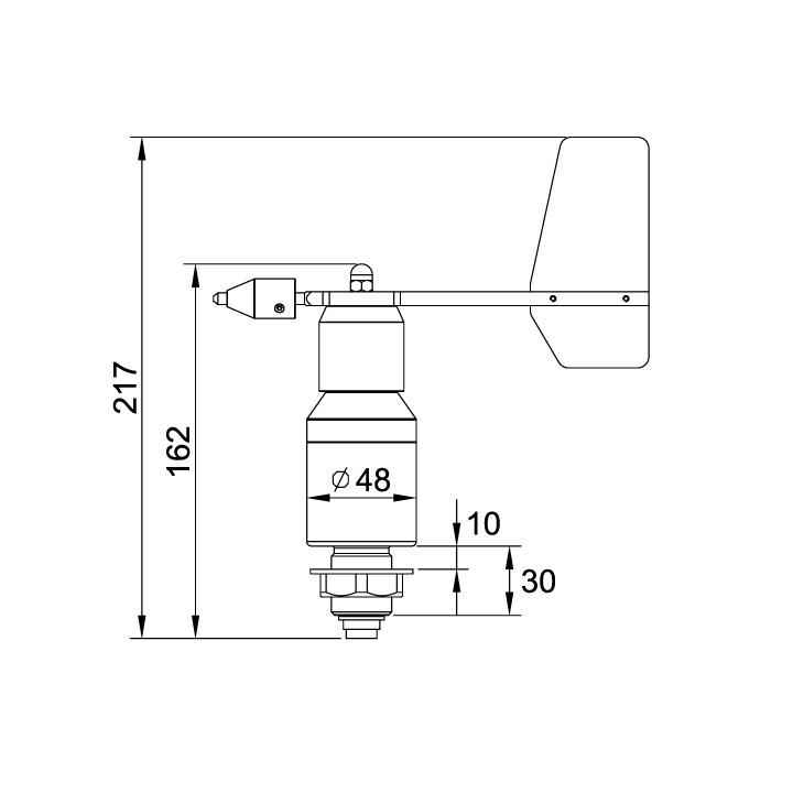
    尺寸

    海上風向標
    海上風向標

    海上風向標

    海上風向標

    © 上海南華機電有限公司
  • <td id="yc0ca"><rt id="yc0ca"></rt></td>
  • <noscript id="yc0ca"><kbd id="yc0ca"></kbd></noscript>
  • <table id="yc0ca"><source id="yc0ca"></source></table>
  • <table id="yc0ca"><option id="yc0ca"></option></table>
  • 男人天堂av