• <td id="yc0ca"><rt id="yc0ca"></rt></td>
  • <noscript id="yc0ca"><kbd id="yc0ca"></kbd></noscript>
  • <table id="yc0ca"><source id="yc0ca"></source></table>
  • <table id="yc0ca"><option id="yc0ca"></option></table>
  • 箭頭信號顯示屏

    箭頭信號顯示屏 ABC-401

    箭頭信號顯示屏
    箭頭信號顯示屏

    功能特性

    外殼為不銹鋼噴塑工藝制成,耐腐蝕性好,密封結構,防水防塵,免維護

    發光體由高亮度的LED 組成發光矩陣,使用壽命長

    顯示面板采用夾層安全玻璃,
    透明度高,透光率強,密封性好

    
                            

    
                            

    
                            

    描述與應用

    技術規格

    基本

    產品名稱

    箭頭信號指示燈

    產品型號

    ABC-401

    光學

    光源類型

    LED

    發光顏色

    紅色

    光源壽命

    >100,000小時

    可視距離

    >200米

    電氣

    工作電壓

    DC24V

    額定功率

    75W

    機械

    材 質

    不銹鋼 

    工作溫度

    -30℃~+70℃ 

    工作濕度

    10% ~ 95% (不凝結) 

    防護等級

    IP65

    外觀顏色

    黑色

    重量

    35.5kg

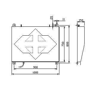
    尺寸

    箭頭信號顯示屏
    箭頭信號顯示屏

    產品應用圖

    箭頭信號顯示屏

    箭頭信號顯示屏

    箭頭信號顯示屏

    © 上海南華機電有限公司
  • <td id="yc0ca"><rt id="yc0ca"></rt></td>
  • <noscript id="yc0ca"><kbd id="yc0ca"></kbd></noscript>
  • <table id="yc0ca"><source id="yc0ca"></source></table>
  • <table id="yc0ca"><option id="yc0ca"></option></table>
  • 男人天堂av